ویدبید
برچسب
درباره ما
برچسب ها
دسته بندی ها
بهترین و جدیدترین ویدئو های روز
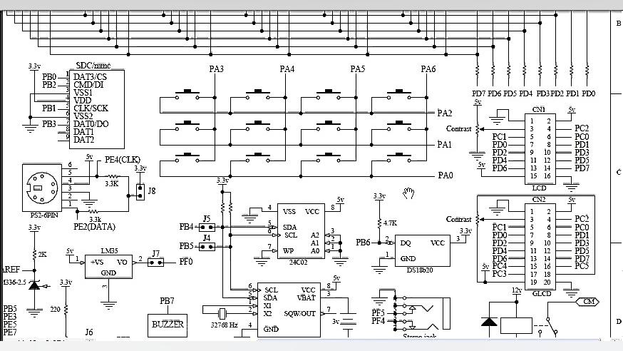
ویديو های مربوط به آموزش برنامه نویسی میکر
1
برچسب های مرتبط
میکروکنترلر
کدنویسی کاربردی
آموزش
برنامه نویسی C
آموزش کدنویسی کاربردی
09:01
آموزش کدنویسی کاربردی برای میکروکنترلر بخش دوم
4 سال پیش
ویدبید
صفحه اصلی
تماشای سریال
مطالب داغ
دسته بندی
طنز
سرگرمی
فیلم
آموزشی
ورزشی
مشاهده همه دسته بندی ها
برچسب ها
کارتون
طنز
برنامه کودک
سرگرمی
انیمیشن
فیلم
بانوان کودک
کودک
مشاهده همه برچسب ها
0.20 sec, flt: 0
time: 23, count: 6, slow: 0